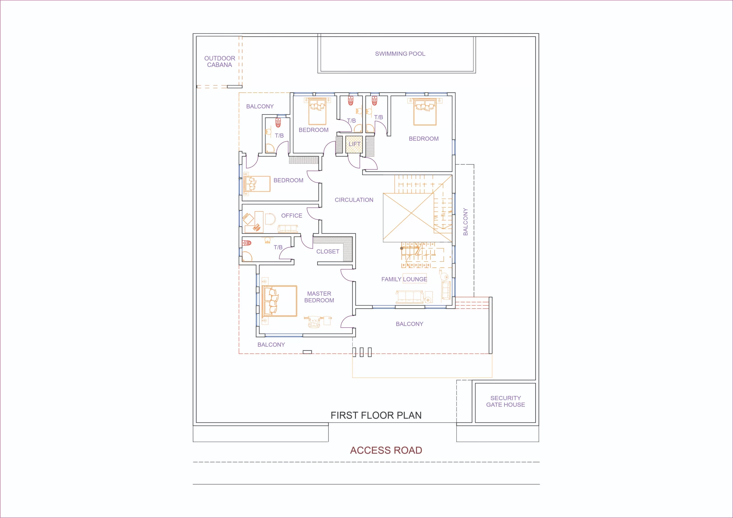
Kolo City

Mafanikio

600 Sq M / 6,428 Sq Ft