Kolo City
Home
About
Homes
Uzuri
Nyanga
Miyaka
Calabash
Baraka
Godiya
Udo
Ubuntu
Tutu
Madiba
Mmeri
Mandela
Jalal
Mafanikio
Services
Contact
X
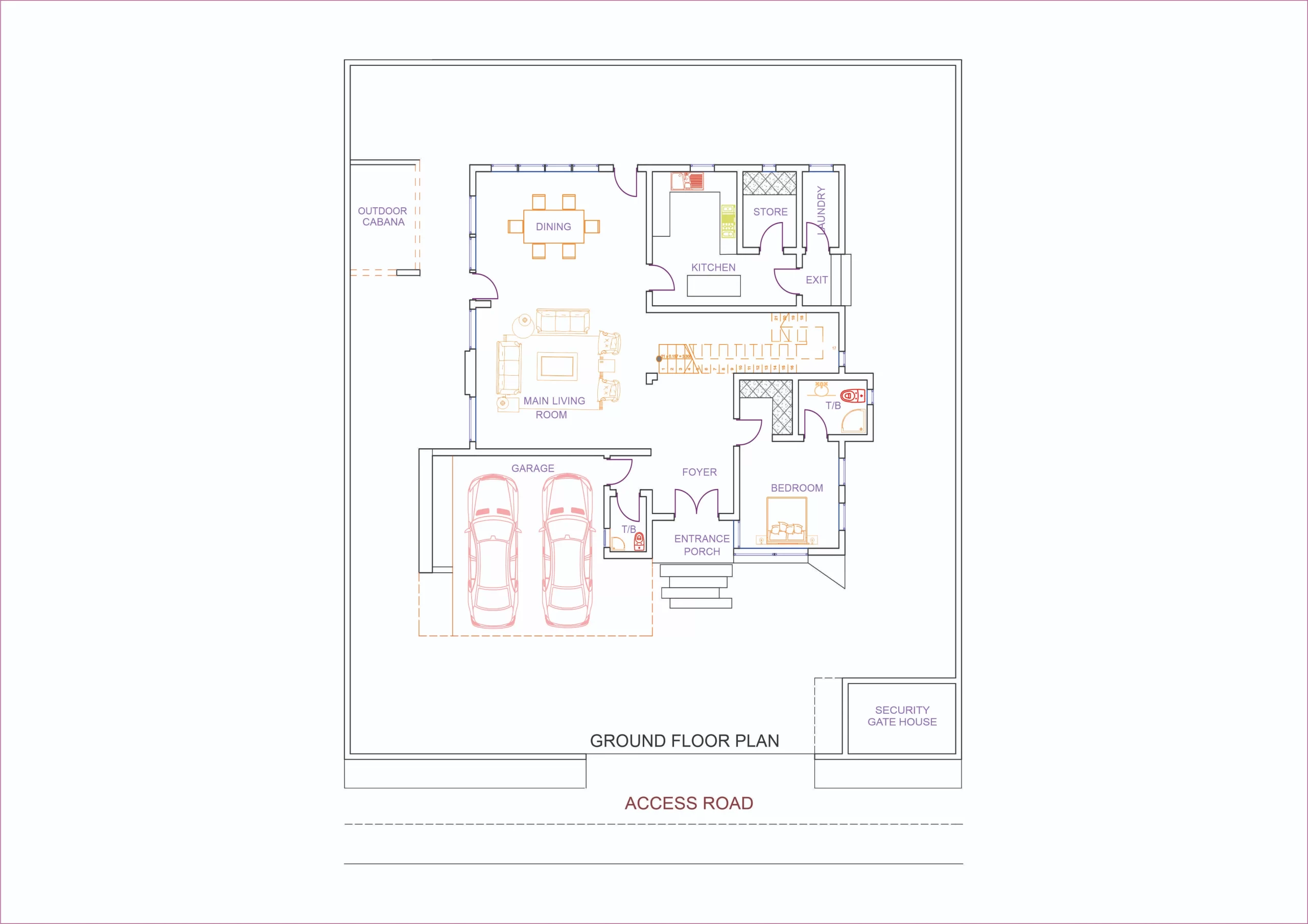
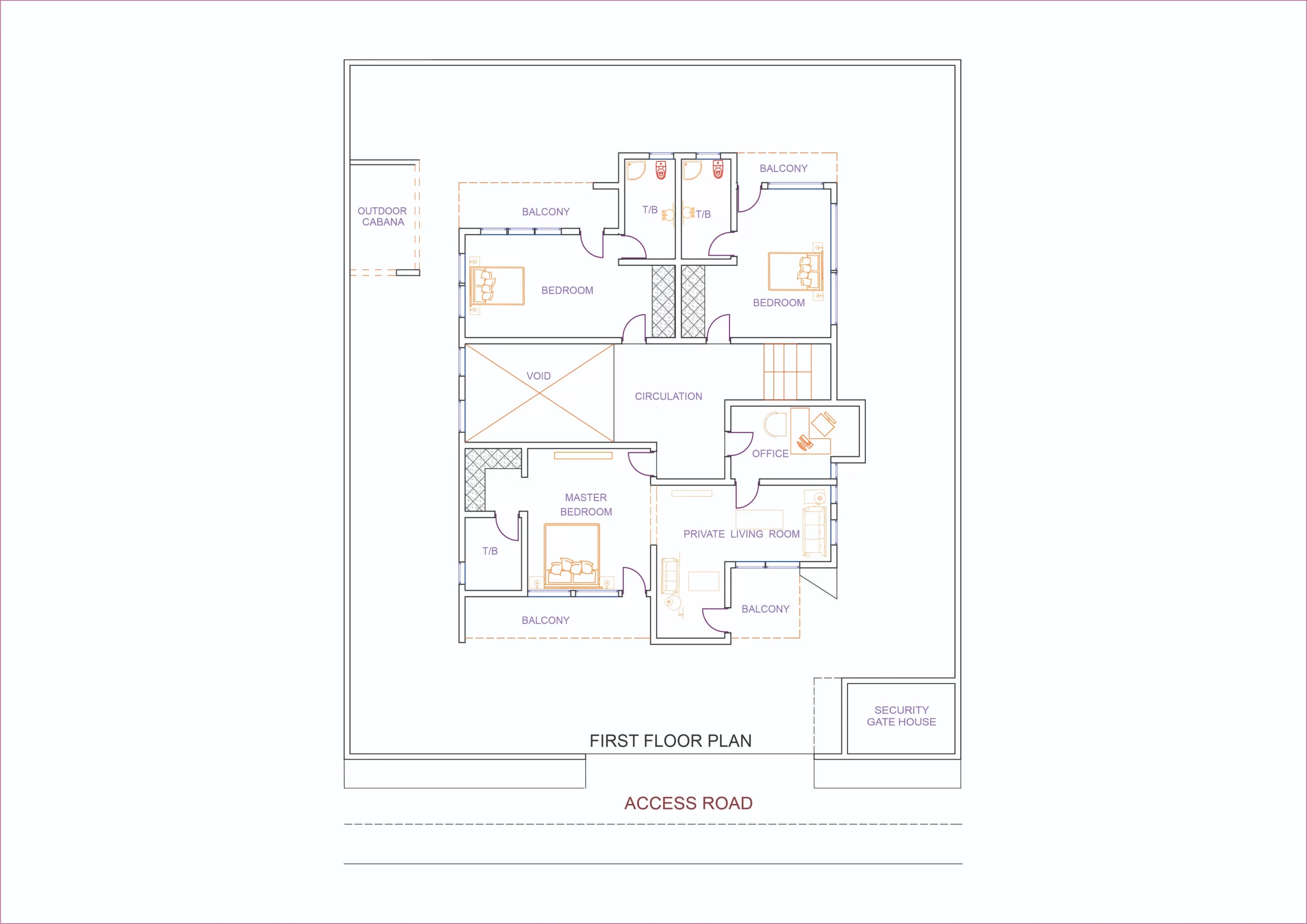
Tutu
400 Sq M / 4,306 Sq Ft
All
Exterior
Interior
3D